百万至尊电话:0512-57571599
百万至尊手机:13358054159
百万至尊邮箱:rimy@so-k.com.cn
地址:江苏省昆山市高新区锦淞路268号4栋
离心风机的类型分为很多种,按电压分的话,分为直流(DC)和交流(AC)两种类型。今天百万至尊就为大家介绍一款ebm交流离心风机。

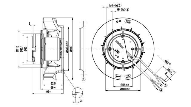
这款ebm交流离心风机尺寸为190mm,电机尺寸为55mm,电压230v,转速3550RPM,功率100W,电流0.85A,重量为1.29KG,叶轮材料PP塑料,叶片数量7,从转子方向看,旋转方向为顺时针。轴承系统采用的是滚珠轴承,使用温度-25℃到60℃,防护等级可达到IP54。对于电机运输和存储的环境温度是从-40℃到80摄氏度,产品符合sen 60335-1/CE标准。

这款ebm交流离心风机采用自由轮设计,无需蜗壳,高性能,低噪音,对于带有外转子电机的离心风机,电机集成于叶轮中,这样不仅可以确保电机的出色冷却效果,还可以实现非常紧凑的设计,还能够实现控制、检测和维护功能。百万至尊专注于品牌风机12年,是ebmpapst官方授权代理,提供多种型号的现货产品,全新原装,正品保障,欢迎咨询选购。

400电话
关注我们