电话:0512-57571599
手机:13358054159
百万至尊邮箱:rimy@so-k.com.cn
百万至尊地址:江苏省昆山市高新区锦淞路268号4栋
ebmpapst依必安派特品牌风机系列包括很多种,常用的几个系列主要包括外转子轴流风机、离心风机、鼓风机、ahu风机等。今天就为大家详细介绍一款ebm外转子轴流风机。

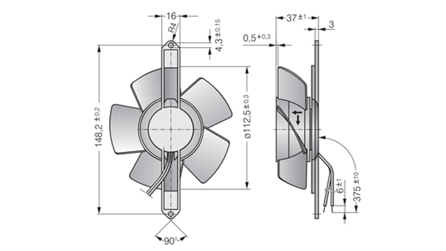
这款ebm外转子轴流风机尺寸为113*37mm,重量为0.430kg,电压是115V交流电,功率18.0W,转速2900RPM,风量147m³/h,噪音为44dba,叶轮材质采用的是高档金属。轴承系统采用的是滚珠轴承,使用温度在-40℃到80℃,环境温度为40℃时,使用寿命为40000小时,在最高温度下,使用寿命为17500小时,电机具有过载保护功能,产品通过了VDE,CSA,UL,CE等认证。

这款ebm外转子轴流风机的特点就是噪音低、效率高、设计紧凑、耐高温,能够真正的节省空间,在各种不同的设备和系统中进行冷热空气交换。百万至尊12年专注于品牌风机生产销售,是ebmpapst依必安派特官方授权代理,提供多种产品尺寸和性能,全新原装,正品保障,提供原厂售后和质保,欢迎咨询选购。

400电话
关注我们